Компания HAOSAIL владеет более чем 10 патентами на изобретения и 40 патентами на полезные модели, что отражает нашу приверженность исследованиям, разработкам и технологическому прогрессу.
Мы уделяем первостепенное внимание строгому контролю качества и испытаниям, чтобы гарантировать соответствие международным стандартам и требованиям клиентов.
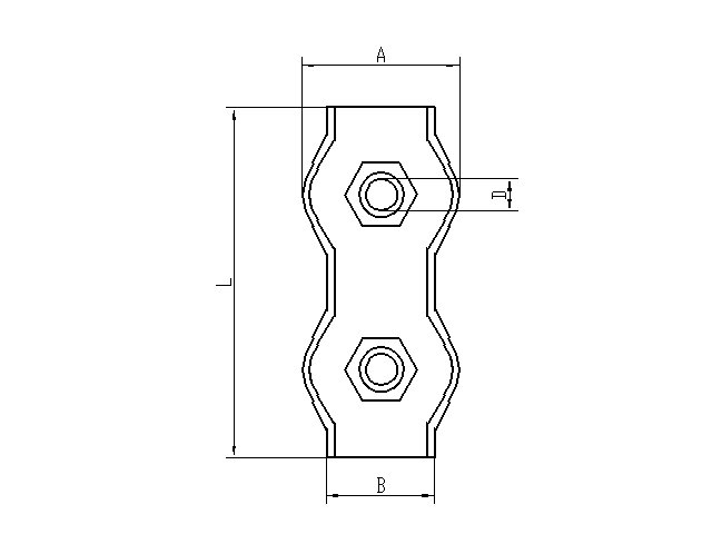
Duplex Clips - это аксессуар для крепления троса с двойным болтом, состоящий из двух симметричных прижимных пластин, двух болтов и гаек. Симметричное усилие зажима двойных болтов фиксирует трос, образуя более стабильное соединение, чем одноболтовый канатный зажим (Simplex Clips). Материалы включают углеродистую сталь (оцинкованную), нержавеющую сталь 304 и нержавеющую сталь 316 и подходят для тросов диаметром от 4 мм до 12 мм. Его конструкция учитывает как удобство установки, так и среднюю несущую способность. Он подходит для легкой промышленности, наружных сооружений и т. Д., Которые требуют более высокой прочности соединения, чем одноболтовые канатные зажимы, но не требуют тяжелых кованых канатных зажимов, таких как тяга сельскохозяйственной техники, небольшая подъемная вспомогательная фиксация и т. Д.
![]()
| Артикул | Размер кабеля (мм) | А (мм) | B (мм) | D (резьба) | Д (мм) |
| HS4030701 | 2 | 11.5 | 4 | М4 | 30 |
| HS4030702 | 3 | 14 | 6 | М4 | 35 |
| HS4030703 | 4 | 16.5 | 8 | М5 | 40 |
| HS4030704 | 5 | 20 | 10 | М5 | 50 |
| HS4030705 | 6 | 24 | 12 | М6 | 60 |
| HS4030706 | 8 | 30 | 16 | М8 | 75 |
| HS4030707 | 10 | 35 | 20 | М10 | 85 |
Двойные болты имеют симметричное напряжение, что повышает несущую способность.
По сравнению с конструкцией с одним болтом, двойные болты симметрично распределены вдоль оси троса, а усилие зажима равномерно распределено (площадь контакта на 40% выше, чем у симплексных зажимов). Номинальная рабочая нагрузка может достигать 1-3 тонн (при адаптации к 12-миллиметровому тросу), что в 2-3 раза больше, чем у одноболтового канатного зажима той же спецификации, и может удовлетворить требования к средней нагрузке легких промышленных сцен (таких как комплектация небольших вилочных погрузчиков и крепление наружных рекламных щитов).
Стабильная конструкция и сильная защита от разрыхления
Двойные болты закреплены «обнимающим» образом с помощью двух прижимных пластин. В вибрационной среде (например, при тяге трактора и грузовом транспорте) вероятность ослабления снижается более чем на 60% по сравнению с одноболтовым канатным зажимом. Расстояние между болтами оптимизировано (обычно в 1,5-2 раза больше диаметра троса), что может эффективно предотвратить вращение или проскальзывание троса в зажиме, и подходит для сцен динамического напряжения.
Гибкость установки и широкие возможности адаптации
Нет необходимости различать направление основной веревки и хвоста веревки. Два болта можно затягивать ступенчато (сначала затяните одну сторону, затем отрегулируйте другую), что удобно для работы в узких пространствах. Он подходит для различных типов тросов. В дополнение к обычным стальным тросам, его также можно использовать для канатов из синтетического волокна аналогичного диаметра (например, полиэфирных канатов). Повреждение каната меньше, чем у зажима каната с U-образным болтом.
Дуплексные зажимы (зажимы для троса с двойным болтом) подходят для сценариев, требующих более высокой прочности, чем зажимы с одним болтом, но не требующих сверхпрочных кованых зажимов для троса из-за их характеристик «средняя нагрузка, стабильный зажим и гибкая установка». Конкретные области применения следующие:
Легкая промышленность и крепление оборудования
Тяга и подключение малой техники: например, крепление подвесного каната навесного оборудования сельскохозяйственного трактора (подходит для троса 8-10 мм, тяговая нагрузка ≤2 тонны), легкое устройство натяжения конвейерной ленты для сборочной линии в цехе (статическая нагрузка ≤1,5 тонны), конструкция с двумя болтами может противостоять ослаблению, вызванному механической вибрацией.
Складская и логистическая помощь: комплектация грузов вилочными погрузчиками, наземными быками и другим оборудованием на складе (например, крепление груза на поддоне), усилие зажима двойного болта может предотвратить соскальзывание троса во время транспортировки, а вес меньше, чем у американского канатного зажима, который легко переносить с транспортным средством.
Временные сооружения для зданий: крепление каната на краю защитной сетки строительных лесов (ненесущее, используется только для ограничения), вспомогательные тросы небольших строительных лифтов (необходимо сотрудничать с конструкцией по коэффициенту прочности ≥3), виброустойчивость ветровой нагрузки лучше, чем у одноболтовых канатных зажимов.
Наружные сооружения и садовые проекты
Наружные рекламные щиты и освещение: стальной трос 6-10 мм для подвешивания небольших и средних рекламных щитов (вес ≤500 кг), вспомогательные тросы для столбов уличных фонарей (устойчивость к ветровой нагрузке ≤8 уровней), двойные болты симметричной силы могут уменьшить проскальзывание троса при сильном ветре, нержавеющая сталь 304 справится с дождливыми условиями.
Садовые и сельскохозяйственные опоры: стойки для винограда, крепление тягового троса фруктового дерева (адаптировано к стальным тросам 4-6 мм), соединение стяжных стержней каркаса теплицы, болты с обеих сторон можно постепенно регулировать во время установки, чтобы избежать чрезмерного сдавливания тонких стальных тросов и поломки.
Водное освещение: подводная кабельная фиксация небольших ландшафтных фонтанов (модель из нержавеющей стали 316, для предотвращения ржавчины, вызванной прикреплением водорослей), граничное кабельное соединение ограждений пруда для рыбы (несущая ≤1 тонна), коррозионная стойкость воды лучше, чем у моделей из углеродистой стали.
Повседневные и гражданские сценарии
Аксессуары для автомобилей и автофургонов: Тросовое крепление кронштейна тента автофургона, вспомогательное крепление запасного колеса внедорожника (статическая нагрузка), конструкция с двойным болтом имеет низкую вероятность ослабления в условиях ухабистой дороги, а небольшой вес не добавляет дополнительной нагрузки.
Дома и проекты своими руками: Крепление стеллажа для хранения чердака веревкой (подходит для стального каната толщиной менее 6 мм, несущий ≤300 кг), подвешивание металлических поделок ручной работы, для установки не требуются профессиональные инструменты, ручная затяжка может удовлетворить потребности.
Q1: В чём основное отличие двухболтовых канатных зажимов от одноболтовых (Simplex Clips)?
Силовой режим: Двойные болты симметрично распределены вдоль оси троса, что обеспечивает более равномерное зажимное усилие (площадь контакта увеличивается на 40%). Одинарные болты подвергаются односторонней нагрузке, что может легко привести к локальной деформации троса.
Грузоподъёмность: Номинальная нагрузка двухболтовых канатных зажимов той же спецификации в 2-3 раза превышает нагрузку одноболтовых (например, адаптер для троса диаметром 10 мм, двухболтовые — около 2 тонн, а одинарные — около 0,8 тонны).
Применимые сценарии: Двойные болты подходят для небольших динамических нагрузок (например, в условиях вибрации), а одинарные — только для статических небольших нагрузок (например, для фиксированных канатов, используемых в помещении).
Q5: Нужно ли различать направление основного и хвостового канатов при монтаже?
Различать не нужно. Две прижимные пластины двухболтового зажима для троса симметричны. Основной трос и хвостовой конец троса можно вставить по желанию. При установке предварительно затяните болты с одной стороны (до тех пор, пока они слегка не прилегают к тросу), а затем отрегулируйте болты с другой стороны, чтобы обеспечить равномерное усилие зажима с обеих сторон (его можно контролировать динамометрическим ключом, обычно 8–15 Н·м, в зависимости от диаметра троса).
Q3: Как выбрать подходящий материал?
Оцинкованная углеродистая сталь: подходит для сухих помещений (например, для тяговых тросов в мастерских), самая дешевая, но легко ржавеет, срок службы около 1–2 лет;
Нержавеющая сталь 304: подходит для влажных помещений (например, для садовых кронштейнов), устойчива к дождевой коррозии, срок службы 3–5 лет;
Нержавеющая сталь 316: используется в прибрежных и химических зонах (например, для швартовки легких судов в доках), устойчивость к соляному туману в 2-3 раза выше, чем у 304, срок службы 5-8 лет и самая высокая стоимость.
Если у вас есть вопросы или потребности относительно продукта, пожалуйста, заполните следующую форму, и мы свяжемся с вами как можно скорее.
Зажим для троса
Зажим для троса
Зажим для троса
Зажим для троса
Зажим для троса
Зажим для троса
Зажим для троса
7-й этаж, здание 93, штаб-квартира R&F, ул. Чанчэн-Саут, д. 1, район Чэньян, город Циндао, провинция Шаньдун, Китай 266109
Copyright © 2025 Qingdao Haosail Machinery Co., Ltd. All Rights Reserved. Работает на Hicheng