Компания HAOSAIL владеет более чем 10 патентами на изобретения и 40 патентами на полезные модели, что отражает нашу приверженность исследованиям, разработкам и технологическому прогрессу.
Мы уделяем первостепенное внимание строгому контролю качества и испытаниям, чтобы гарантировать соответствие международным стандартам и требованиям клиентов.
Симплексные зажимы обычно относятся к зажимам для троса с одним болтом, которые представляют собой тип соединителя, используемого для крепления тросов и обычно используемых в строительстве, судостроении, такелаже и других областях. Как правило, они состоят из болта и нажимной пластины и имеют простую конструкцию. Трос зажимается и фиксируется путем пропускания троса вокруг болта и последующего затягивания гайки на прижимной пластине. Его можно использовать для создания проволочных проушин.
К распространенным материалам относятся нержавеющая сталь 304, нержавеющая сталь 316 и углеродистая сталь. Нержавеющая сталь обладает хорошей коррозионной стойкостью и подходит для таких сред, как влажные и агрессивные газы; Углеродистая сталь обычно оцинкована, что также может обеспечить определенную устойчивость к ржавчине и имеет относительно низкую стоимость.
![]()
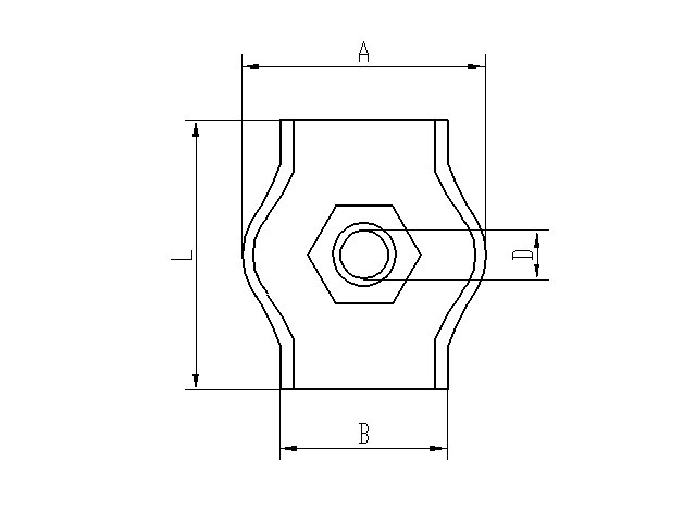
| Артикул | Размер кабеля (мм) | А (мм) | B (мм) | D (резьба) | Д (мм) |
| HS4030601 | 2 | 12 | 4 | М4 | 15 |
| HS4030602 | 3 | 14 | 6 | М4 | 17 |
| HS4030603 | 4 | 16.5 | 8 | М5 | 20 |
| HS4030604 | 5 | 20 | 10 | М5 | 25 |
| HS4030605 | 6 | 24 | 12 | М6 | 30 |
| HS4030606 | 8 | 30 | 16 | М8 | 37 |
| HS4030607 | 10 | 35 | 20 | М10 | 42 |
Простая конструкция, легкий монтаж
Он состоит только из одного болта, нажимного диска и гайки, а количество деталей более чем на 50% меньше, чем у американского кованого канатного зажима (U-образный болт + седло + двойная гайка). При монтаже нет необходимости различать направление основного каната и хвоста каната. Просто вставьте трос в паз зажима и затяните болты. Фиксация может быть выполнена в течение 30 секунд одним человеком, что особенно подходит для узкого пространства или временных сценариев быстрого подключения (например, садовые веревки, легкое связывание).
Легкая конструкция, более низкая стоимость
При одинаковом совместимом диаметре каната вес на 40%-60% легче, чем у американского канатного зажима (например, одноболтовой канатный зажим для троса 6 мм весит около 20 г, а американская кованая модель - около 50 г), что экономит вес при транспортировке и установке. Стоимость изготовления на 30-40% ниже, что подходит для световых сцен, закупаемых оптом (например, крепление арматуры сельскохозяйственной теплицы и подключение гражданской бельевой веревки).
Симплексные зажимы (одноболтовые зажимы для троса) в основном используются в легких, ненесущих или временных крепежных сценариях из-за их структурных и эксплуатационных характеристик. Конкретные области применения и типичные варианты использования следующие:
Гражданские и садовые сценарии
Ежедневное связывание света: например, закрепление двух концов семейной бельевой веревки, подключение троса балконного ограждения и временная комплектация мебели при переезде (нагрузка ≤200 кг). Его можно быстро починить, воспользовавшись удобными монтажными характеристиками, а после демонтажа использовать повторно.
Садоводство и сельское хозяйство: закрепление каркаса овощной теплицы (стальной трос 6-8 мм), соединение опорного каната плодового дерева, затягивание сетки ограждения клумбы. Поскольку окружающая среда в основном сухая или слегка влажная, оцинкованная модель из углеродистой стали может удовлетворить требования к использованию в течение 3-5 лет, с низкой стоимостью и простым обслуживанием.
Вспомогательные сценарии легкой промышленности
Временная фиксация оборудования: временная противоскользящая обвязка небольших станков (таких как настольные дрели и шлифовальные машины) в мастерской (закреплена на краю верстака), а также предельное тросовое соединение легких товаров (≤500 кг) на стеллажах для хранения. Нет необходимости долго нести вес, а конструкция с одним болтом позволяет быстро отрегулировать натяжение.
Вспомогательное крепление кабелей и труб: Вспомогательное канатное крепление кабельных лотков в слаботочных проектах (ненесущая опора), временная установка и затяжка небольших труб из ПВХ (диаметр ≤50 мм) во избежание износа или смещения, вызванного провисанием кабеля.
Строительство временных наружных сооружений
Временное крепление тента / палатки: используется для фиксации соединения между тросом палатки и заземленной анкерной точкой на открытом воздухе (например, в кемпинге и на ярмарках), подходит для нейлонового каната 4-6 мм или тонкого стального каната, чтобы справиться с натяжением при кратковременной силе ветра (уровень ≤5) и легко хранится после разборки.
Установка небольших рекламных щитов/знаков: Крепление легких дорожных знаков с помощью наклонного троса (вес ≤10 кг) соединяет стальной трос с кронштейном через зажим с одним болтовым канатом для удовлетворения требований к устойчивости в условиях ежедневного ветра и облегчения регулировки углов в дальнейшем.
Q1: Можно ли использовать зажимы Simplex для подъёма тяжёлых предметов?
Ответ: Конечно, нет.
Зажимы Simplex нагружаются только одним болтом и имеют ограниченную грузоподъёмность (номинальная рабочая нагрузка обычно ≤1 тонны), а их ударопрочность и непрерывная грузоподъёмность значительно ниже, чем у американских кованых канатных зажимов. При подъёме тяжёлых предметов (особенно динамических, таких как краны и башенные краны) болты могут растягиваться и деформироваться, а канаты могут проскальзывать, что приводит к падениям, что является незаконным.
Q4: Как выбрать соответствующие характеристики зажимов Simplex?
Ответ: Диаметр каната должен строго соответствовать спецификации, и его нельзя использовать сверх указанного.
Диаметр канавки зажима канатного зажима должен соответствовать диаметру каната (например, канат диаметром 6 мм должен использоваться с канатным зажимом диаметром 6 мм). Если он слишком большой, он не будет надежно зажат, а если слишком маленький, он сожмет и повредит трос.
Обычные характеристики: подходит для тросов диаметром 2–8 мм. Одноболтовые зажимы запрещены для тросов диаметром более 8 мм (нет соответствующих высокопрочных моделей).
Q5: Насколько туго следует затягивать болты при монтаже? Существуют ли какие-либо требования к моменту затяжки?
Ответ: Стандарт – «небольшая деформация троса без обрыва отдельных проволок». Фиксированного момента затяжки нет, но следует избегать чрезмерной затяжки.
Затягивайте вручную до тех пор, пока ключ не станет невозможно легко провернуть (примерно 20–50 Н·м, в зависимости от спецификации). Чрезмерная затяжка приведет к сдавливанию троса прижимной пластиной, что снизит общую прочность.
Рекомендуется проверить после монтажа: потрясите трос рукой, чтобы убедиться в отсутствии явного люфта; осмотрите трос в зажиме, чтобы убедиться в отсутствии деформации или обрыва отдельных проволок.
Q5: Можно ли использовать зажимы Simplex из нержавеющей стали на морском побережье?
Ответ: Нержавеющая сталь марки 316 может использоваться, нержавеющая сталь марки 304 должна использоваться с осторожностью, а углеродистая сталь запрещена.
В прибрежной зоне высокое содержание соли и влажность. Нержавеющая сталь марки 316 содержит молибден, и её устойчивость к коррозии хлорид-ионами в 2-3 раза выше, чем у стали марки 304. Её можно использовать в течение 1-3 лет (при регулярном обслуживании); нержавеющая сталь марки 304 может ржаветь локально в течение 1 года в условиях сильного соляного тумана; оцинкованные модели из углеродистой стали ржавеют и выходят из строя в течение 3 месяцев.
Q4: Можно ли повторно использовать зажимы Simplex?
Есть ли ограничение по количеству использований?
Ответ: В ненесущих конструкциях их можно использовать 3-5 раз, а в несущих конструкциях рекомендуется использовать один раз. Перед повторным использованием проверьте, не изношена ли резьба болта (если болт не вращается плавно, он будет сломан), не деформирована ли прижимная пластина (неправильная форма канавки зажима приведет к неравномерному распределению усилия), а также нет ли трещин на поверхности (особенно это касается моделей из углеродистой стали).
Если болт используется для работы с непостоянной нагрузкой, например, для связывания и натягивания тросов (например, для садовой фиксации), его можно использовать повторно, убедившись в отсутствии повреждений; если болт подвергался растягивающему усилию, близкому к номинальному, рекомендуется заменить его.
Если у вас есть вопросы или потребности относительно продукта, пожалуйста, заполните следующую форму, и мы свяжемся с вами как можно скорее.
Зажим для троса
Зажим для троса
Зажим для троса
Зажим для троса
Зажим для троса
Зажим для троса
Зажим для троса
7-й этаж, здание 93, штаб-квартира R&F, ул. Чанчэн-Саут, д. 1, район Чэньян, город Циндао, провинция Шаньдун, Китай 266109
Copyright © 2025 Qingdao Haosail Machinery Co., Ltd. All Rights Reserved. Работает на Hicheng