Компания HAOSAIL владеет более чем 10 патентами на изобретения и 40 патентами на полезные модели, что отражает нашу приверженность исследованиям, разработкам и технологическому прогрессу.
Мы уделяем первостепенное внимание строгому контролю качества и испытаниям, чтобы гарантировать соответствие международным стандартам и требованиям клиентов.
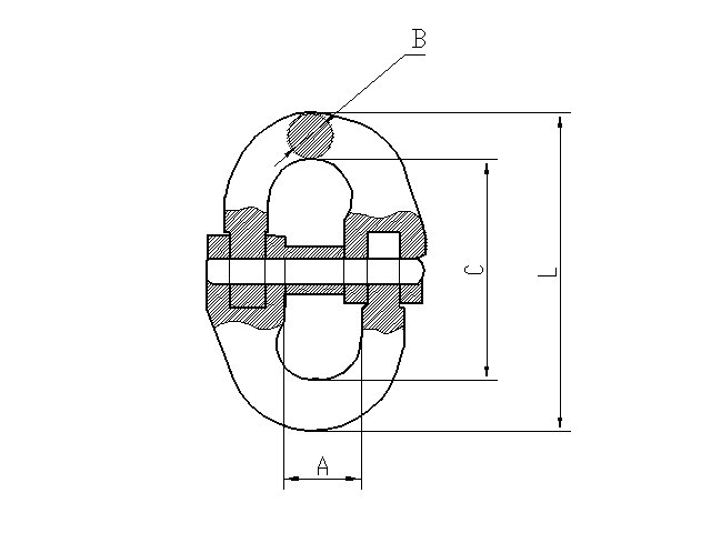
G80 Connecting Link — это высокопрочный, высокодолговечный подъемно-подъемный соединитель, широко используемый в инженерном машиностроении, судовых перевозках, строительных грузоподъемных работах, горнодобывающих работах и логистических работах. Он соответствует международному стандарту EN818, изготовлен из высококачественной легированной стали, проходит прецизионную ковку, термообработку и обработку поверхности для обеспечения отличных механических свойств и антиусталостных характеристик.
![]()
| Артикул | Размер (мм) | WLL(t) | А (мм) | B (мм) | С (мм) | Д (мм) | Вес (кг) |
| HS1020701 | 6 - 8 | 1.2 | 16.20 | 7.00 | 42.00 | 37.00 | 0.08 |
| HS1020702 | 7 - 8 | 2 | 20.50 | 8.50 | 58.00 | 48.00 | 0.16 |
| HS1020703 | 10 - 8 | 3.2 | 28.00 | 10.80 | 68.00 | 60.00 | 0.29 |
| HS1020704 | 13 - 8 | 5.3 | 30.00 | 15.00 | 90.00 | 76.00 | 0.60 |
| HS1020705 | 16 - 8 | 8 | 36.30 | 19.80 | 101.90 | 91.00 | 1.10 |
| HS1020706 | 18 - 20 | 12.5 | 44.00 | 24.00 | 121.00 | 109.00 | 1.80 |
| HS1020707 | 22 - 8 | 15 | 51.00 | 26.00 | 141.50 | 130.00 | 3.20 |
| HS1020708 | 26 - 8 | 21.2 | 58.00 | 30.00 | 161.00 | 152.00 | 4.50 |
| HS1020709 | 32 - 8 | 31.5 | 67.50 | 37.00 | 197.00 | 190.00 | 9.00 |
Материал: высокопрочная и высокоударная легированная сталь
100% протестировано при 2,5-кратном превышении предельной рабочей нагрузки
100% MPI для обнаружения трещин
Испытание на разрывную нагрузку для образцов каждой партии
Усталостное испытание при 1,5-кратном превышении предельной рабочей нагрузки в течение 20000 циклов для образцов каждой партии
100% вихретоковый контроль для дефектоскопии пальца
Соединительное звено G80 подходит для цепи EN818-2 G80
Грузоподъемное оборудование: подъемное соединение башенных кранов, кранов и вилочных погрузчиков.
Морские порты: комплектация и крепление контейнеров и грузов.
Промышленная сфера: подъем тяжелых производственных линий, монтаж оборудования.
Спасательные операции: безопасная тяга или высотный подъем.
Q1: Из какого материала изготовлено изделие?
Обычно оно изготавливается из высококачественной легированной стали, подвергается закалке и отпуску, обладает высокой прочностью и хорошей вязкостью.
Q3: Какова предельная рабочая нагрузка?
Разные размеры соответствуют различным предельным рабочим нагрузкам. Каждая заготовка должна пройти испытание нагрузкой, в 2,5 раза превышающей предельную рабочую нагрузку, а её предельная нагрузка, как правило, в 4 раза превышает предельную рабочую нагрузку.
Q3: Каким стандартам соответствует изделие?
Оно соответствует европейскому стандарту EN 818-4, который устанавливает требования к цепным стропам, изготовленным из сварных или сборных цепей.
Q3: Какая обработка поверхности?
Распространено порошковое покрытие, цвет которого может быть выбран в соответствии с требованиями заказчика для защиты от коррозии и облегчения идентификации.
Q3: Для каких цепей подходит?
В основном используется для соединения цепей из легированной стали G80, соответствующих стандарту EN 818-2, а также может использоваться с такими аксессуарами, как крюки и основные кольца.
Q3: Как провести контроль качества?
Будет проведена 100% магнитопорошковая дефектоскопия, каждая партия продукции будет отобрана и испытана на излом, 100% штифтов будут проверены для обеспечения постоянной твердости, а также будут проведены 20 000 испытаний на усталость при нагрузке, в 1,5 раза превышающей предельную рабочую нагрузку.
Если у вас есть вопросы или потребности относительно продукта, пожалуйста, заполните следующую форму, и мы свяжемся с вами как можно скорее.
Аксессуары для G80
Аксессуары для G80
Аксессуары для G80
Аксессуары для G80
Аксессуары для G80
Аксессуары для G80
Аксессуары для G80
Аксессуары для G80
Аксессуары для G80
Аксессуары для G80
Аксессуары для G80
Аксессуары для G80
7-й этаж, здание 93, штаб-квартира R&F, ул. Чанчэн-Саут, д. 1, район Чэньян, город Циндао, провинция Шаньдун, Китай 266109
Copyright © 2025 Qingdao Haosail Machinery Co., Ltd. All Rights Reserved. Работает на Hicheng